chinese
|
English
|
Contact
|
wechat
Wechat:fan5666888999
Focus on us
[散热风扇-直流风扇-离心风机-交流,直流各型号散热通风产品]生产厂家_深圳市瑞安普电子有限公司欢迎光临!
13925226756
网站首页
散热风扇
直流轴流散热风扇
交流轴流散热风扇
EC轴流散热风扇
直流离心散热风扇
交流离心散热风扇
直流鼓风机散热风扇
直流风扇
直流3.3V风扇
直流5v风扇
直流12v风扇
直流24V风扇
直流48v风扇
直流110V风扇
直流315v风扇
离心风机
直流12v离心风机
直流24v离心风机
直流48v离心风机
直流110v离心风机
直流315v离心风机
EC离心风机
交流离心风机
风扇手册
资讯中心
公司新闻
行业新闻
关于我们
风扇质量控制体系
风扇研发团队
风扇工程试验中心
风扇生产体系
客户案例
联系我们
资讯中心
公司新闻
行业新闻
推荐产品
直流鼓风机4010散热风扇
交流散热风扇AC20060
直流轴流散热风扇12025
直流轴流散热风扇12038A
联系我们
邮箱:
fan@ruiapple.com
电话:
13925226756
地址:
深圳市宝安大道8206号508
在线咨询
首页
>
资讯中心
资讯中心
400mm外转子交流离心风机发布
文章来源:
作者:DEVER
发布日期:2021-09-26 15:25
浏览次数:
3213
深圳市瑞安普电子有限公司发布新产品400mm交流外转子
离心风机
,叶轮由高强度铝合金材料制成,叶轮质量轻,整机节能,强度高,耐高温,耐腐蚀,产品广泛应用于空气净化器行业。
产品参数如下
:
400mm离心风机参数表
产品型号
额定电压
工作频率
额定电流
额定功率
额定转速
最大风量
最大静压
噪音值
V
HZ
A
W
RPM
M3/H
Pa
dBA
RA-ACC400L31
380
50
0.32
100
950
1765
250
61
RA-ACC400L21
220
50
0.56
120
950
1765
250
61
RA-ACC400M21
220
50
1.20
260
1350
2470
350
71
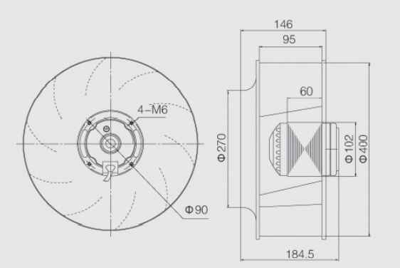
400mm离心风机安装尺寸图:
产品外观图片:
友情提示:
以上规格为深圳市
瑞安普电子
有限公司标准产品规格型号和参数,如果您对400mm外转子离心风机
的参数和配置各项有特殊要求,请联系我们,我们的离心风机专业工程师团队会根据你的实际需求,我们会以最快的速度为你提供最优散热通风解决方案和质优价廉的散热风扇产品!有关散热、通风解决方案和风扇产品咨询,请拨打24小时热线电话:13925226756.
上一篇:
带紫外线广谱杀菌的风扇发布
下一篇:
空气净化器离心风机调速方式有哪些?
{dede:global.cfg_tel/}
微信:18990110481
微信二维码